Категории
Кран шаровой стандартнопроходной 282, с фланцем для установки привода
Характеристики
Макс. температура (Т) °С.: до +200 °С
Мин. температура (Т) °С.: до -40 °С (исп. У), до -60 °С (исп. ХЛ)
Класс герметичности: Класс «А» ГОСТ 9544-2015
Срок службы: Не менее 25 лет
Гарантийный срок: 3 года или 10 000 циклов
Материалы корпуса: Сталь 20/09Г2С/12Х18Н10Т
Тип присоединения:
приварное/приварное
Рабочая среда:
Теплосетевая вода, нефтепродукты, ГСМ и другие рабочие среды, неагрессивные для материалов
деталей крана.
*Краны DN700 - 1400 изготавливаются под заказ. Информация по кранам DN700 - 1400 предоставляется по запросу
Модификации
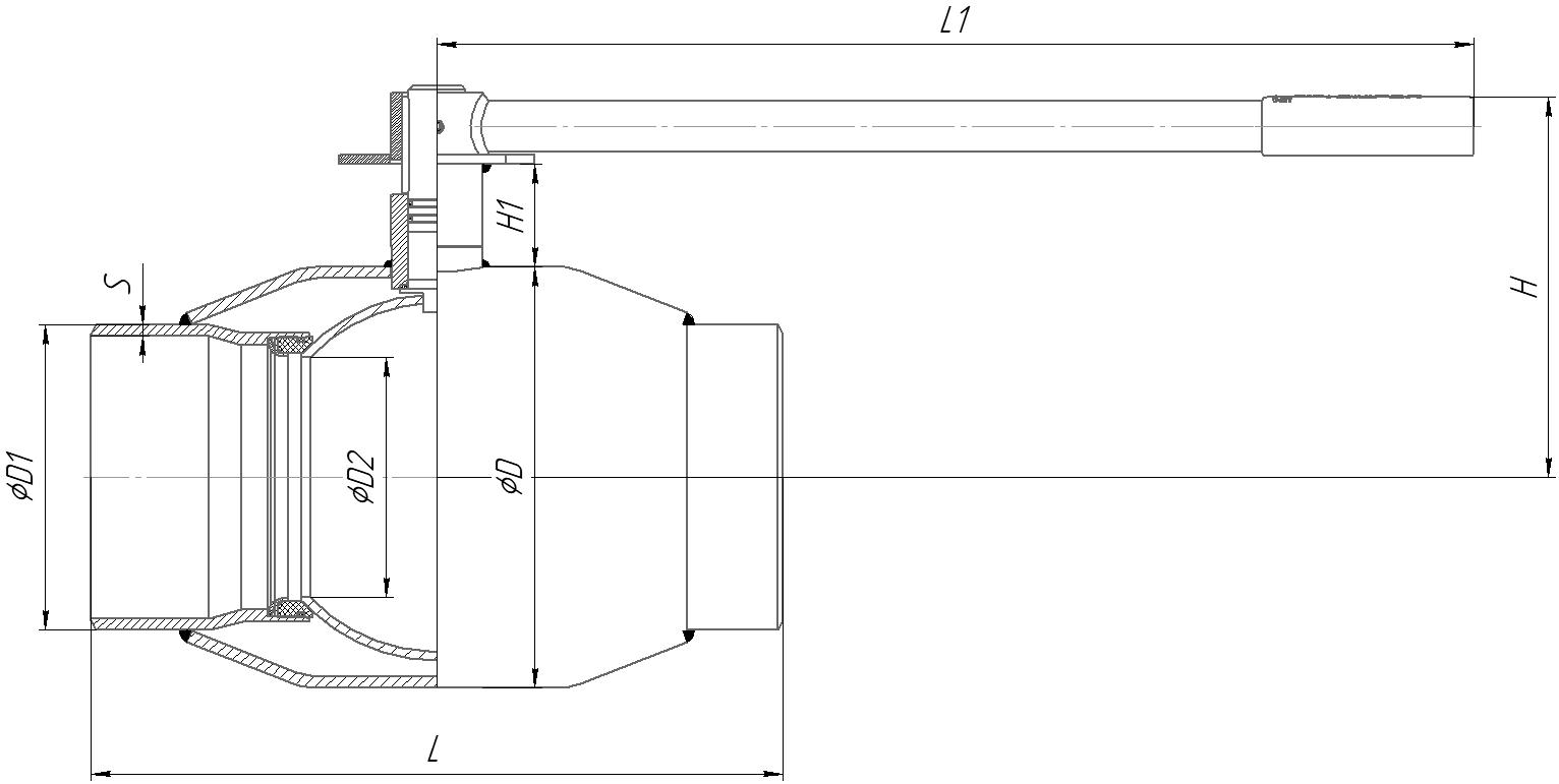
| Артикул | DN | PN | L | L1 | H | H1 | D | D1 | D2 | S | Вес | |
|---|---|---|---|---|---|---|---|---|---|---|---|---|
| 28220125 | 125 | 25 | 330 | 525 | 187 | 50 | 180 | 133 | 100 | 5 | 14,30 | |
| 28220150 | 150 | 25 | 360 | 525 | 203 | 47 | 219 | 159 | 125 | 6 | 19,05 | |
| 28220200 | 200 | 25 | 430 | 525 | 228 | 45 | 273 | 219 | 148 | 8 | 31,75 | |
| 28220250 | 250 | 25 | 510 | 1030 | 273 | 51 | 351 | 273 | 200 | 8 | 60,25 | |
| 28220300 | 300 | 16/25 | 730 | - | 414 | 101 | 426 | 325 | 240 | 10 | 122,65 | |
| 28220350 | 350 | 16/25 | 730 | - | 464 | 100 | 530 | 377 | 300 | 10 | 235,00 | |
| 28220400 | 400 | 16/25 | 860 | - | 464 | 100 | 530 | 426 | 300 | 10 | 285,00 | |
| 28220500 | 500 | 16/25 | 970 | - | 561 | 103 | 630 | 530 | 390 | 10 | 455,00 | |
| 28220700 | 700* | 16/25 | 1150 | - | - | 88 | 970 | 720 | 600 | 13 | 1182 | |
| 28220800 | 800* | 16/25 | 1346 | - | - | 132 | 1120 | 820 | 700 | 13 | 2595 | |
| 282201000 | 1000* | 16/25 | 1524 | - | - | 82 | 1220 | 1020 | 780 | 15 | 2795 | |
| 282201200 | 1200* | 16/25 | 1650 | - | - | 82 | 1420 | 1220 | 1000 | 15 | 3852 | |
| 282201400 | 1400* | 16/25 | 1800 | - | - | 126 | 1620 | 1420 | 1200 | 15 | 4352 |